注意:此页面搜索的是所有试题
佳木斯大学语言治疗学
容量为C的电容原有电压为U0,它通过电阻R的闭合电路放电,从接通电路开始计时,电容上的电压随时间的变化关系为( )。
·
·
·
·
图二(2)电路中,R1=6Ω,R2=7Ω,R3=6Ω,R4=10Ω,则a、b两端的电阻Rab阻值为( )。
· 29Ω
· 10Ω
·5Ω
· 7Ω
图二(3)电路中,I=3A,R1=12Ω,R2=6Ω,则流过R1电阻的电流为( )。
·2A
· 1
· 1A
·A
· 0.5A
电容C=0.01F与电阻R=1Ω串联,对于
的电信号,它们的总阻抗为( )。
·(1+j)Ω
·(1-j)Ω
·(-j)Ω
· 2Ω
一个电压为U0的直流恒压源,通过开关K与电感L和电阻R串联构成闭合回路。现以开关闭合时开始计时,通过电感的电流为( )。
·
·
·
·
容量为100μF的电容器两端的电圧为200V,则电容器的储能为( )。
·2J
·200J
·20000J
·100J
电容的定义式为:( ).
·
·
·
·C=IU
在由NPN型BJT组成的单管共发射极放大电路中,如静态工作点过高,容易产生( )失真。
·截止失真
·饱和v失真
·双向失真
·线性失真
半导体二极管的重要特性之一是
·温度稳定性
·单向导电性
·放大作用
·滤波特性
电路如图所示,二极管导通电压U D=0.7V,关于输出电压的说法正确的是( )。
·A:u I1=3V,u I2=0.3V时输出电压为3.7V。
·B:u I1=3V,u I2=0.3V时输出电压为1V。
·C:u I1=3V,u I2=3V时输出电压为5V。
·D:只有当u I1=0.3V,u I2=0.3V时输出电压为才为1V。
直流负反馈是指( )
· 存在于RC耦合电路中的负反馈
· 放大直流信号时才有的负反馈
· 直流通路中的负反馈
· 只存在于直接耦合电路中的负反馈
负反馈所能抑制的干扰和噪声是( )
·输入信号所包含的干扰和噪声
· 反馈环内的干扰和噪声
· 反馈环外的干扰和噪声
· 输出信号中的干扰和噪声
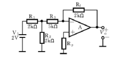
在图所示电路中,A为理想运放,则电路的输出电压约为( )
· -2.5V
· -5V
· -6.5V
· -7.5V
在图所示的单端输出差放电路中,若输入电压△υS1=80mV, △υS2=60mV,则差模输入电压△υid为( )
· 10mV
· 20mV
· 70mV
· 140mV
为了使高内阻信号源与低阻负载能很好地配合,可以在信号源与低阻负载间接入( )。
· 共射电路
· 共基电路
· 共集电路
· 共集-共基串联电路
·

·

·

·

图二(2)电路中,R1=6Ω,R2=7Ω,R3=6Ω,R4=10Ω,则a、b两端的电阻Rab阻值为( )。

· 29Ω
· 10Ω
·5Ω
· 7Ω
图二(3)电路中,I=3A,R1=12Ω,R2=6Ω,则流过R1电阻的电流为( )。

·2A
· 1
· 1A
·A
· 0.5A
电容C=0.01F与电阻R=1Ω串联,对于
的电信号,它们的总阻抗为( )。·(1+j)Ω
·(1-j)Ω
·(-j)Ω
· 2Ω
一个电压为U0的直流恒压源,通过开关K与电感L和电阻R串联构成闭合回路。现以开关闭合时开始计时,通过电感的电流为( )。
·

·

·

·

容量为100μF的电容器两端的电圧为200V,则电容器的储能为( )。
·2J
·200J
·20000J
·100J
电容的定义式为:( ).
·
·
·
·C=IU在由NPN型BJT组成的单管共发射极放大电路中,如静态工作点过高,容易产生( )失真。
·截止失真
·饱和v失真
·双向失真
·线性失真
半导体二极管的重要特性之一是
·温度稳定性
·单向导电性
·放大作用
·滤波特性
电路如图所示,二极管导通电压U D=0.7V,关于输出电压的说法正确的是( )。

·A:u I1=3V,u I2=0.3V时输出电压为3.7V。
·B:u I1=3V,u I2=0.3V时输出电压为1V。
·C:u I1=3V,u I2=3V时输出电压为5V。
·D:只有当u I1=0.3V,u I2=0.3V时输出电压为才为1V。
直流负反馈是指( )
· 存在于RC耦合电路中的负反馈
· 放大直流信号时才有的负反馈
· 直流通路中的负反馈
· 只存在于直接耦合电路中的负反馈
负反馈所能抑制的干扰和噪声是( )
·输入信号所包含的干扰和噪声
· 反馈环内的干扰和噪声
· 反馈环外的干扰和噪声
· 输出信号中的干扰和噪声
在图所示电路中,A为理想运放,则电路的输出电压约为( )

· -2.5V
· -5V
· -6.5V
· -7.5V
在图所示的单端输出差放电路中,若输入电压△υS1=80mV, △υS2=60mV,则差模输入电压△υid为( )

· 10mV
· 20mV
· 70mV
· 140mV
为了使高内阻信号源与低阻负载能很好地配合,可以在信号源与低阻负载间接入( )。
· 共射电路
· 共基电路
· 共集电路
· 共集-共基串联电路