注意:此页面搜索的是所有试题
佳木斯大学语言治疗学
在考虑放大电路的频率失真时,若i υ为正弦波,则o υ( )
· 有可能产生相位失真
· 有可能产生幅度失真和相位失真
· 一定会产生非线性失真
· 不会产生线性失真
工作在电压比较器中的运放与工作在运算电路中的运放的主要区别是,前者的运放通常工作在( )。
· 开环或正反馈状态
· 深度负反馈状态
· 放大状态
· 线性工作状态
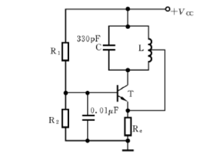
LC 正弦波振荡电路如图1-9所示,该电路( )。
· 由于无选频网络不能产生正弦波振荡
· 由于不满足相位平衡条件,不能产生正弦波振荡
· 满足振荡条件能产生正弦波振荡
· 由于放大器不能正常工作,不能产生正弦波振荡
图1-10所示电路出现故障,经测量得知V E=0,V C=V CC,故障的可能原因为( )。
· R c开路
· R c短路
· R e短路
· R b1开路
共模抑制比K CMR越大,表明电路( )。
· 放大倍数越稳定
· 交流放大倍数越大
· 抑制温漂能力越强
· 输入信号中的差模成分越大
多级放大电路与组成它的各个单级放大电路相比,其通频带( )。
· 变宽
· 变窄
· 不变
· 与各单级放大电路无关
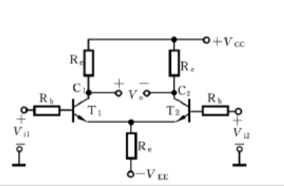
双端输入.双端输出差分放大电路如图所示。已知静态时,V o =V c1-V c 2=0,设差模电压增益100vd=A &,共模电压增益mV 5V mV,10,0i2i1c ===V A V ,则输出电压o V 为()
· 125mV
· 1000 mV
· 250 mV
· 500 mV
某仪表放大电路,要求R i 大,输出电流稳定,应选( )。
· 电流串联负反馈
· 电压并联负反馈
· 电流并联负反馈
· 电压串联
当外加偏置电压不变时,若工作温度升高,二极管的正向导通电流将( )。
·增大
·减小
·不变
·不确定
温度升高时,三极管的β值将( )。
·增大
·减少
·不变
·不能确定
某放大电路中三极管的三个管脚的电位分别为V U 61=,V U 4.52=,V U 123=,则对应该管的管脚排列依次是( ) 。
·e, b, c
·b, e, c
·b, c, e
·c, b, e
晶体管能够放大的外部条件是
·发射结正偏,集电结正偏B
·发射结正偏,集电结反偏
·发射结反偏,集电结正偏
·发射结反偏,集电结反偏
电流强度是指( )。
·一秒钟内通过导体横截面的电量
·一秒钟内通过导体横截面的电流
·一秒钟内通过导体横截面的磁通
·一秒钟内通过导体横截面的磁场强度
在如图所示的电路中,电压U等于( )。
· 4V
· 16V
· -4V
· 0V
如图电路中,电压Uab为( )。
· 9V
· 6V
· 3V
· -3V
· 有可能产生相位失真
· 有可能产生幅度失真和相位失真
· 一定会产生非线性失真
· 不会产生线性失真
工作在电压比较器中的运放与工作在运算电路中的运放的主要区别是,前者的运放通常工作在( )。
· 开环或正反馈状态
· 深度负反馈状态
· 放大状态
· 线性工作状态
LC 正弦波振荡电路如图1-9所示,该电路( )。

· 由于无选频网络不能产生正弦波振荡
· 由于不满足相位平衡条件,不能产生正弦波振荡
· 满足振荡条件能产生正弦波振荡
· 由于放大器不能正常工作,不能产生正弦波振荡
图1-10所示电路出现故障,经测量得知V E=0,V C=V CC,故障的可能原因为( )。

· R c开路
· R c短路
· R e短路
· R b1开路
共模抑制比K CMR越大,表明电路( )。
· 放大倍数越稳定
· 交流放大倍数越大
· 抑制温漂能力越强
· 输入信号中的差模成分越大
多级放大电路与组成它的各个单级放大电路相比,其通频带( )。
· 变宽
· 变窄
· 不变
· 与各单级放大电路无关
双端输入.双端输出差分放大电路如图所示。已知静态时,V o =V c1-V c 2=0,设差模电压增益100vd=A &,共模电压增益mV 5V mV,10,0i2i1c ===V A V ,则输出电压o V 为()

· 125mV
· 1000 mV
· 250 mV
· 500 mV
某仪表放大电路,要求R i 大,输出电流稳定,应选( )。
· 电流串联负反馈
· 电压并联负反馈
· 电流并联负反馈
· 电压串联
当外加偏置电压不变时,若工作温度升高,二极管的正向导通电流将( )。
·增大
·减小
·不变
·不确定
温度升高时,三极管的β值将( )。
·增大
·减少
·不变
·不能确定
某放大电路中三极管的三个管脚的电位分别为V U 61=,V U 4.52=,V U 123=,则对应该管的管脚排列依次是( ) 。
·e, b, c
·b, e, c
·b, c, e
·c, b, e
晶体管能够放大的外部条件是
·发射结正偏,集电结正偏B
·发射结正偏,集电结反偏
·发射结反偏,集电结正偏
·发射结反偏,集电结反偏
电流强度是指( )。
·一秒钟内通过导体横截面的电量
·一秒钟内通过导体横截面的电流
·一秒钟内通过导体横截面的磁通
·一秒钟内通过导体横截面的磁场强度
在如图所示的电路中,电压U等于( )。

· 4V
· 16V
· -4V
· 0V
如图电路中,电压Uab为( )。

· 9V
· 6V
· 3V
· -3V