注意:此页面搜索的是所有试题
2024年国家开放大学答案
4.即使对于某些落后的民族风俗习惯,也不能强迫命令少数民族予以改革。(简答题)
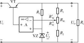
4. 题图8-3所示串联型直流稳压电路中,已知:稳压管的稳压值U<sub>Z</sub>=6V,电阻R<sub>1</sub>=R<sub>2</sub>=100Ω,R<sub>W</sub>=300Ω,调整管饱和压降为2V。试求:
(1)电路输出电压调整范围;
(2)变压器次级电压的最小值。

题图8-3(简答题)
对夫妻关系的理解错误的是( )。(单选题)
.男女两性的结合
.男女两性的合法结合
.在经济、社会生活等方面有着共同生活
.性的结合是夫妻关系的最大特征
测算建筑物重置成本有许多方法,在具体评估过程中,经常采用的有(多选题)
.工料测量法
.分部分项法
.规模经济效益指数法
.系数调整法
.单位比较法
现实中,很多学生因为喜欢某老师而喜欢这位老师所教的学科,这种现象体现了师爱的( )功能。(单选题)
.激励与感化功能
.调节功能
.引动功能
.模仿功能
在互联网上,所有维护根域“.”的DNS服务器被称作“根DNS服务器”,这些服务器是由13个完全限定域名(FQDN)来表示。(判断题)
.对
.错
在谈判构成要素中除了论及“当事人”的具体内容外,个人简历。个人爱好和身体状况也应当包括。(判断题)
.对
.错
在小学数学问题解决中,一般过程为:( )(单选题)
.发现问题、分析问题、解决问题。.,.
发现问题、分析问题、提出假设、验证假设。.,.
发现问题、提出假设、分析问题、解决问题。.,.
发现问题、提出假设、收集材料,分析问题。
- Why don’t we go get coffee somewhere
- _________(单选题)
.That’s a good idea.
.I’ve lost a lot of weight.
.We used to go there very often.
下列选项中,关于初乳的作用描述不正确的是( )。(单选题)
.含有大量易消化的蛋白质、矿物质和维生素,供给犊牛大量营养物质。
.蛋白质中的免疫球蛋白量很少,乳蛋白质很多。
.含有较多的镁镁盐,有助于犊牛排除胎便。
.初乳可以代替肠黏膜,对犊牛肠道有保护作用。
项目融资的模式主要包括( )。(多选题)
.BAT模式
.以“产品支付”为基础的模式
.以“设施使用协议”为基础的模式
.ABS模式
.以“杠杆租赁”为基础的模式
预收货款不多的企业,可不设“预收账款”账户,直接将预收的货款记入(单选题)
.“应付账款”账户的贷方.,.
“应付账款”账户的借方.,.
“应收账款”账户的贷方.,.
“应收账款”账户的借方
药师对肾功能不全患者使用对肾脏损害的药物进行调剂时,不正确的是( )。(单选题)
.可用延长间隔法,即药物用量不变,但给药间隔延长.,.
可用减少剂量法,即首剂用量不变,给药间隔不变,但维持剂量减少.,.
应尽量采用对肾脏损害较小的药物来替代,切不可滥用.,.
青霉素、头孢菌素、林可霉素和异烟肼等药物通过肾脏排泄,对肾脏毒性较大,应调整剂量或监测血药浓度
简述里格斯公共行政的三种模式及其主要特点。(简答题)
{}
企业理念层面文化的设计策略包括( )等。(多选题)
.企业愿景的设计
.企业宗旨的设计
.企业独特的形象设计
.企业伦理的设计
4. 题图8-3所示串联型直流稳压电路中,已知:稳压管的稳压值U<sub>Z</sub>=6V,电阻R<sub>1</sub>=R<sub>2</sub>=100Ω,R<sub>W</sub>=300Ω,调整管饱和压降为2V。试求:
(1)电路输出电压调整范围;
(2)变压器次级电压的最小值。

题图8-3(简答题)
对夫妻关系的理解错误的是( )。(单选题)
.男女两性的结合
.男女两性的合法结合
.在经济、社会生活等方面有着共同生活
.性的结合是夫妻关系的最大特征
测算建筑物重置成本有许多方法,在具体评估过程中,经常采用的有(多选题)
.工料测量法
.分部分项法
.规模经济效益指数法
.系数调整法
.单位比较法
现实中,很多学生因为喜欢某老师而喜欢这位老师所教的学科,这种现象体现了师爱的( )功能。(单选题)
.激励与感化功能
.调节功能
.引动功能
.模仿功能
在互联网上,所有维护根域“.”的DNS服务器被称作“根DNS服务器”,这些服务器是由13个完全限定域名(FQDN)来表示。(判断题)
.对
.错
在谈判构成要素中除了论及“当事人”的具体内容外,个人简历。个人爱好和身体状况也应当包括。(判断题)
.对
.错
在小学数学问题解决中,一般过程为:( )(单选题)
.发现问题、分析问题、解决问题。.,.
发现问题、分析问题、提出假设、验证假设。.,.
发现问题、提出假设、分析问题、解决问题。.,.
发现问题、提出假设、收集材料,分析问题。
- Why don’t we go get coffee somewhere
- _________(单选题)
.That’s a good idea.
.I’ve lost a lot of weight.
.We used to go there very often.
下列选项中,关于初乳的作用描述不正确的是( )。(单选题)
.含有大量易消化的蛋白质、矿物质和维生素,供给犊牛大量营养物质。
.蛋白质中的免疫球蛋白量很少,乳蛋白质很多。
.含有较多的镁镁盐,有助于犊牛排除胎便。
.初乳可以代替肠黏膜,对犊牛肠道有保护作用。
项目融资的模式主要包括( )。(多选题)
.BAT模式
.以“产品支付”为基础的模式
.以“设施使用协议”为基础的模式
.ABS模式
.以“杠杆租赁”为基础的模式
预收货款不多的企业,可不设“预收账款”账户,直接将预收的货款记入(单选题)
.“应付账款”账户的贷方.,.
“应付账款”账户的借方.,.
“应收账款”账户的贷方.,.
“应收账款”账户的借方
药师对肾功能不全患者使用对肾脏损害的药物进行调剂时,不正确的是( )。(单选题)
.可用延长间隔法,即药物用量不变,但给药间隔延长.,.
可用减少剂量法,即首剂用量不变,给药间隔不变,但维持剂量减少.,.
应尽量采用对肾脏损害较小的药物来替代,切不可滥用.,.
青霉素、头孢菌素、林可霉素和异烟肼等药物通过肾脏排泄,对肾脏毒性较大,应调整剂量或监测血药浓度
简述里格斯公共行政的三种模式及其主要特点。(简答题)
{}
企业理念层面文化的设计策略包括( )等。(多选题)
.企业愿景的设计
.企业宗旨的设计
.企业独特的形象设计
.企业伦理的设计