注意:此页面搜索的是所有试题
佳木斯大学语言治疗学
电路如图10所示,欲使后级c 点向前级引入负反馈,则应( )。
·c端和b端连接
·c端和d 端连接
·c端和a 端连接
电路如图8所示,设二极管D1,D2,D3 的正向压降忽略不计,则输出电压uO =( )。
·-2V
·0V
·6V
·12V
画三极管放大电路的小信号等效电路时,直流电压源VCC应当
·短路
·开路
·保留不变
·电流源
与乙类功率放大方式比较,甲乙类OCL互补对称功放的主要优点是
·不用输出变压器
·不用输出端大电容
·效率高
·无交越失真
LC正弦波振荡器电路的振荡频率为( )
·
·
·
·<img src="https://s3.cn-north-1.amazonaws.com.cn/qingshuxuetang/examination/imgUplod/15513471046489b559819e148478e9a08d9baab16d3b6image7.png"
场效应管的工作原理是
·输入电流控制输出电流
·输入电流控制输出电压
·输入电压控制输出电压
·输入电压控制输出电流
在本征半导体中掺入( )构成P型半导体。
·3价元素
·4价元素
·5价元素
·6价元素
通用型集成运放适用于放大( )
·高频信号
·低频信号
·任何频率信号
·中频信号
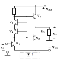
如图2所示电路为( )
·甲类OCL功率放大电路
·乙类OCL功率放大电路
·甲乙类OCL功率放大电路
·甲乙类OTL功率放大电路
图3为单相桥式整流滤波电路,ui为正弦电压,其有效值为Ui=20V,f=50Hz。若实际测得其输出电压为28.28V,这是由于( )的结果。
·C开路
·C的容量过小
·C的容量过大
·RL开路
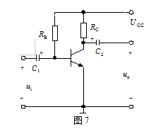
电路如图7所示,已知UCC=12V,RC=3k,β=40且忽略UBE,若要使静态时UCE=9V,则RB应取( )。
·600 k
·240 k
·480 k
·360 k
多级放大电路的级数越多,则其( )
·放大倍数越大,而通频带越窄
·放大倍数越大,而通频带越宽
·放大倍数越小,而通频带越宽
·放大倍数越小,而通频带越窄
RC串并联正弦波振荡电路的振荡频率为( )
·
·
·
·<img src="https://s3.cn-north-1.amazonaws.com.cn/qingshuxuetang/examination/imgUplod/1551347104903bbdc5af1e0cb40e78327b3a7bb7f6c20image11.png"
三极管工作于放大状态的条件是
·发射结正偏,集电结反偏
·发射结正偏,集电结正偏
·发射结反偏,集电结正偏
·发射结反偏,集电结反偏
有两个放大倍数相同,输入电阻和输出电阻不同的放大电路A和B,对同一个具有内阻的信号源电压进行放大。在负载开路的条件下,测得A放大器的输出电压小,这说明A的( )
·输入电阻大
·输入电阻小
·输出电阻大
·输出电阻小

·c端和b端连接
·c端和d 端连接
·c端和a 端连接
电路如图8所示,设二极管D1,D2,D3 的正向压降忽略不计,则输出电压uO =( )。

·-2V
·0V
·6V
·12V
画三极管放大电路的小信号等效电路时,直流电压源VCC应当
·短路
·开路
·保留不变
·电流源
与乙类功率放大方式比较,甲乙类OCL互补对称功放的主要优点是
·不用输出变压器
·不用输出端大电容
·效率高
·无交越失真
LC正弦波振荡器电路的振荡频率为( )
·
·
·
·<img src="https://s3.cn-north-1.amazonaws.com.cn/qingshuxuetang/examination/imgUplod/15513471046489b559819e148478e9a08d9baab16d3b6image7.png"场效应管的工作原理是
·输入电流控制输出电流
·输入电流控制输出电压
·输入电压控制输出电压
·输入电压控制输出电流
在本征半导体中掺入( )构成P型半导体。
·3价元素
·4价元素
·5价元素
·6价元素
通用型集成运放适用于放大( )
·高频信号
·低频信号
·任何频率信号
·中频信号
如图2所示电路为( )

·甲类OCL功率放大电路
·乙类OCL功率放大电路
·甲乙类OCL功率放大电路
·甲乙类OTL功率放大电路
图3为单相桥式整流滤波电路,ui为正弦电压,其有效值为Ui=20V,f=50Hz。若实际测得其输出电压为28.28V,这是由于( )的结果。

·C开路
·C的容量过小
·C的容量过大
·RL开路
电路如图7所示,已知UCC=12V,RC=3k,β=40且忽略UBE,若要使静态时UCE=9V,则RB应取( )。

·600 k
·240 k
·480 k
·360 k
多级放大电路的级数越多,则其( )
·放大倍数越大,而通频带越窄
·放大倍数越大,而通频带越宽
·放大倍数越小,而通频带越宽
·放大倍数越小,而通频带越窄
RC串并联正弦波振荡电路的振荡频率为( )
·
·
·
·<img src="https://s3.cn-north-1.amazonaws.com.cn/qingshuxuetang/examination/imgUplod/1551347104903bbdc5af1e0cb40e78327b3a7bb7f6c20image11.png"三极管工作于放大状态的条件是
·发射结正偏,集电结反偏
·发射结正偏,集电结正偏
·发射结反偏,集电结正偏
·发射结反偏,集电结反偏
有两个放大倍数相同,输入电阻和输出电阻不同的放大电路A和B,对同一个具有内阻的信号源电压进行放大。在负载开路的条件下,测得A放大器的输出电压小,这说明A的( )
·输入电阻大
·输入电阻小
·输出电阻大
·输出电阻小