注意:此页面搜索的是所有试题
佳木斯大学语言治疗学
晶闸管串联使用时,必须注意均流问题
·正确
·错误
无源逆变指的是不需要逆变电源的逆变电路。( )
·正确
·错误
在三相半波可控整流电路中,晶闸管承受的最大反压为
倍相电压U2。( )
·正确
·错误
提高电力电子装置的工作频率,可以使电力电子装置的体积和重量减小。 ( )
·正确
·错误
在用两组反并联晶闸管的可逆系统,使直流电动机实现四象限运行时,其中一组逆变器工作在整流状态,另一组工作在逆变状态
·正确
·错误
三相桥式半控整流电路,带大电感性负载,有续流二极管时,当电路出故障时会发生失控现象。( )
·正确
·错误
某NPN型三极管的输出特性曲线如图1所示,当VCE=6V,其电流放大系数β为( )
图1
·
·
·
·<img src="https://s3.cn-north-1.amazonaws.com.cn/qingshuxuetang/examination/imgUplod/15513471044086bd9c60c011b4381b03b9d3f7c1c703aimage2.png" =25
某电路有用信号频率为2kHz,可选用( )
·低通滤波器
·高通滤波器
·带通滤波器
·带阻滤波器
当用外加电压法测试放大器的输出电阻时,要求( )
·独立信号源短路,负载开路
·独立信号源短路,负载短路
·独立信号源开路,负载开路
·独立信号源开路,负载短路
为了稳定放大电路的输出电流,并增大输入电阻,应当引入
·电流串联负反馈
·电流并联负反馈
·电压串联负反馈
·电压并联负反馈
APN结正向偏置时,其内电场被
·削弱
·增强
·不变
·不确定
下列对集成电路运算放大器描述正确的是( )
·是一种低电压增益、高输入电阻和低输出电阻的多级直接耦合放大电路
·是一种高电压增益、低输入电阻和低输出电阻的多级直接耦合放大电路
·是一种高电压增益、高输入电阻和高输出电阻的多级直接耦合放大电路
·是一种高电压增益、高输入电阻和低输出电阻的多级直接耦合放大电路
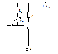
电路如图9所示,晶体管β=50,UBE=0.6 V,RB=72 k,RC=1.5 k,UCC=9V,当RW=0时,晶体管处于临界饱和状态,正常工作时静态集电极电流 IC Q 应等于3 mA,此时应把RW 调整为( )。
·100 k
·72 k
·68 k
·86 k
多级放大电路与组成它的各个单级放大电路相比,其通频带
·变宽
·变窄
·不变
·与各单级放大电路无关
由开关组成的逻辑电路如图5所示,设开关A、B分别有如图5所示为“0”和“1”两个状态,则电灯
亮的逻辑式为( )。
·F = AB+
·F=
·F= <img src="https://s3.cn-north-1.amazonaws.com.cn/qingshuxuetang/examination/imgUplod/1551347105092878da59dcf9947b6b68784e81ff271d6image15.png" +<img src="https://s3.cn-north-1.amazonaws.com.cn/qingshuxuetang/examination/imgUplod/15513471051580184bdad7c15421ba96b123ea0e589bcimage16.png"
·正确
·错误
无源逆变指的是不需要逆变电源的逆变电路。( )
·正确
·错误
在三相半波可控整流电路中,晶闸管承受的最大反压为
倍相电压U2。( )·正确
·错误
提高电力电子装置的工作频率,可以使电力电子装置的体积和重量减小。 ( )
·正确
·错误
在用两组反并联晶闸管的可逆系统,使直流电动机实现四象限运行时,其中一组逆变器工作在整流状态,另一组工作在逆变状态
·正确
·错误
三相桥式半控整流电路,带大电感性负载,有续流二极管时,当电路出故障时会发生失控现象。( )
·正确
·错误
某NPN型三极管的输出特性曲线如图1所示,当VCE=6V,其电流放大系数β为( )
图1·
·
·
·<img src="https://s3.cn-north-1.amazonaws.com.cn/qingshuxuetang/examination/imgUplod/15513471044086bd9c60c011b4381b03b9d3f7c1c703aimage2.png" =25某电路有用信号频率为2kHz,可选用( )
·低通滤波器
·高通滤波器
·带通滤波器
·带阻滤波器
当用外加电压法测试放大器的输出电阻时,要求( )
·独立信号源短路,负载开路
·独立信号源短路,负载短路
·独立信号源开路,负载开路
·独立信号源开路,负载短路
为了稳定放大电路的输出电流,并增大输入电阻,应当引入
·电流串联负反馈
·电流并联负反馈
·电压串联负反馈
·电压并联负反馈
APN结正向偏置时,其内电场被
·削弱
·增强
·不变
·不确定
下列对集成电路运算放大器描述正确的是( )
·是一种低电压增益、高输入电阻和低输出电阻的多级直接耦合放大电路
·是一种高电压增益、低输入电阻和低输出电阻的多级直接耦合放大电路
·是一种高电压增益、高输入电阻和高输出电阻的多级直接耦合放大电路
·是一种高电压增益、高输入电阻和低输出电阻的多级直接耦合放大电路
电路如图9所示,晶体管β=50,UBE=0.6 V,RB=72 k,RC=1.5 k,UCC=9V,当RW=0时,晶体管处于临界饱和状态,正常工作时静态集电极电流 IC Q 应等于3 mA,此时应把RW 调整为( )。

·100 k
·72 k
·68 k
·86 k
多级放大电路与组成它的各个单级放大电路相比,其通频带
·变宽
·变窄
·不变
·与各单级放大电路无关
由开关组成的逻辑电路如图5所示,设开关A、B分别有如图5所示为“0”和“1”两个状态,则电灯
亮的逻辑式为( )。
·F = AB+
·F=
·F= <img src="https://s3.cn-north-1.amazonaws.com.cn/qingshuxuetang/examination/imgUplod/1551347105092878da59dcf9947b6b68784e81ff271d6image15.png" +<img src="https://s3.cn-north-1.amazonaws.com.cn/qingshuxuetang/examination/imgUplod/15513471051580184bdad7c15421ba96b123ea0e589bcimage16.png"