注意:此页面搜索的是所有试题
佳木斯大学语言治疗学
( )无需外加输入信号,通电后自行产生矩形波输出。
·施密特触发器
·单稳态触发器
·多谐振荡器
·计数器
在线试题20下把二进制数101110转换成相应的十进制数是( )。
·47
·14
·46
· 45
将二进制数1101101110转换为十六进制数是( )。
·36E
·37F
·36F
·36D
高频头有两种:( )高频头和( )高频头。( )
·自动式
·机械式
·电子式
·手动式
下图电路实现功能为( )。
·单稳态触发器
·施密特触发器
·多谐振荡器
·数据选择器
4个触发器构成的扭环形计数器有( )个计数状态。
·4
·8
·12
·16
已知某逻辑电路的真值表如下图所示,则其逻辑表达式是( )。
·F=A·B
·F=A+B
·
·
常用的音频数字信号压缩编码国际标准有( )等。( )
·MPEG-1
·MPEG-2
·MPEG-4
·杜比
计算机中的所有信息可以( )形式表示 。
·二进制进制
·六进制
·八进制
·十六进制
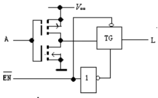
电路图如下,当
、A=1时,L=( )。
·0
·1
·高阻态
·输出状态
有一个4位右移移位寄存器,当预先置入
后,其右移串行数据输入端固定接1,在3个移位脉冲CP的作用下,数据的移位过程是( )。
·
·
·
企业将银行借款存入银行会引起( ) 。
·资产总额不变
·资产总额有增有减
·资产总额增加
·资产总额减少
( )是会计核算的基本前提。
·真实原则
·配比原则
·货币计量
·谨慎原则
( )原则要求,会计核算方法一经确定,不得随意变更。
·可比性
·一贯性
·清晰性
·合法性
投资者投入的资本金( ) 。
·应当保全
·可以抽回
·可以随意转让
·可以任意处置
·施密特触发器
·单稳态触发器
·多谐振荡器
·计数器
在线试题20下把二进制数101110转换成相应的十进制数是( )。
·47
·14
·46
· 45
将二进制数1101101110转换为十六进制数是( )。
·36E
·37F
·36F
·36D
高频头有两种:( )高频头和( )高频头。( )
·自动式
·机械式
·电子式
·手动式
下图电路实现功能为( )。

·单稳态触发器
·施密特触发器
·多谐振荡器
·数据选择器
4个触发器构成的扭环形计数器有( )个计数状态。
·4
·8
·12
·16
已知某逻辑电路的真值表如下图所示,则其逻辑表达式是( )。

·F=A·B
·F=A+B
·

·

常用的音频数字信号压缩编码国际标准有( )等。( )
·MPEG-1
·MPEG-2
·MPEG-4
·杜比
计算机中的所有信息可以( )形式表示 。
·二进制进制
·六进制
·八进制
·十六进制
电路图如下,当
、A=1时,L=( )。
·0
·1
·高阻态
·输出状态
有一个4位右移移位寄存器,当预先置入
后,其右移串行数据输入端固定接1,在3个移位脉冲CP的作用下,数据的移位过程是( )。·
·
·
企业将银行借款存入银行会引起( ) 。
·资产总额不变
·资产总额有增有减
·资产总额增加
·资产总额减少
( )是会计核算的基本前提。
·真实原则
·配比原则
·货币计量
·谨慎原则
( )原则要求,会计核算方法一经确定,不得随意变更。
·可比性
·一贯性
·清晰性
·合法性
投资者投入的资本金( ) 。
·应当保全
·可以抽回
·可以随意转让
·可以任意处置