注意:此页面搜索的是所有试题
华北水利水电大学英语
有一段16Ω的导线,把它们对折起来作为一条导线用,其电阻是( )。
·8Ω
·16Ω
·4Ω
·32Ω
晶闸管触发电路中,若改变()的大小,则输出脉冲产生相位移动,达到移相控制的目的。
·同步电压,
·控制电压,
·脉冲变压器变比。
整流滤波电路如图2示,变压器副边电压有效值是10V,开关S打开后,二极管承受的最高反向电压是( )
·10 V
·28.28V
·14.14V
理想运放的两个重要结论是( )
·虚短与虚地;
·虚断与虚短;
·断路与短路
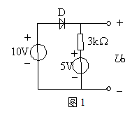
如图1所示,UO 为( )
·5V
·10V
·0V
已知
的对称纯电容负载作Δ接,与对称三相电源相接后测得各线电流均为10A,则三相电路的视在功率为( )
·1800VA
·600VA
·600W
图3示电路中, 若电压源
,电流源
, 则( )。
·电压源与电流源都产生功率
·电流源产生功率,电压源不一定
·电压源产生功率,电流源不一定
整流滤波电路如图2示,变压器副边电压有效值是10V,开关S打开后,二极管承受的最高反向电压是( )
·10 V
·28.28V
·14.14V
如图1所示,UO 为( )
·5V
·10V
·0V
已知
的对称纯电容负载作Δ接,与对称三相电源相接后测得各线电流均为10A,则三相电路的视在功率为( )
·1800VA
·600VA
·600W
三相鼠笼式异步电动机带额定负载运行时,若电源电压降低了,此时,电动机转速将( )。
·增加
·减少
·不变
[10011100]2=()10
·128
·156
·256
·289
正弦交流电流的频率为50Hz,有效值是1A,初相角90°,其瞬时值表达式为( )。
·i(t)=sin(314t+90°)A
·i(t)=
sin(314t+90°)A
·i(t)=cos(314t+90°)A
·i(t)=
cos(314t+90°)A
已知在R、L串联的正弦交流电路中,总电压U=30V,L上的电压UL =18V,则R上的电压UR=( )。
·12V
·24V
·48V
·48
电路中两点间的电压高,则( )。
·两点的电位高
·两点间的电位差大
·两点的电位一定为正
·两点的电位一定为负
·8Ω
·16Ω
·4Ω
·32Ω
晶闸管触发电路中,若改变()的大小,则输出脉冲产生相位移动,达到移相控制的目的。
·同步电压,
·控制电压,
·脉冲变压器变比。
整流滤波电路如图2示,变压器副边电压有效值是10V,开关S打开后,二极管承受的最高反向电压是( )

·10 V
·28.28V
·14.14V
理想运放的两个重要结论是( )
·虚短与虚地;
·虚断与虚短;
·断路与短路
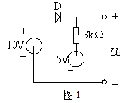
如图1所示,UO 为( )

·5V
·10V
·0V
已知
的对称纯电容负载作Δ接,与对称三相电源相接后测得各线电流均为10A,则三相电路的视在功率为( )·1800VA
·600VA
·600W
图3示电路中, 若电压源
,电流源
, 则( )。
·电压源与电流源都产生功率
·电流源产生功率,电压源不一定
·电压源产生功率,电流源不一定
整流滤波电路如图2示,变压器副边电压有效值是10V,开关S打开后,二极管承受的最高反向电压是( )

·10 V
·28.28V
·14.14V
如图1所示,UO 为( )

·5V
·10V
·0V
已知
的对称纯电容负载作Δ接,与对称三相电源相接后测得各线电流均为10A,则三相电路的视在功率为( )·1800VA
·600VA
·600W
三相鼠笼式异步电动机带额定负载运行时,若电源电压降低了,此时,电动机转速将( )。
·增加
·减少
·不变
[10011100]2=()10
·128
·156
·256
·289
正弦交流电流的频率为50Hz,有效值是1A,初相角90°,其瞬时值表达式为( )。
·i(t)=sin(314t+90°)A
·i(t)=
sin(314t+90°)A·i(t)=cos(314t+90°)A
·i(t)=
cos(314t+90°)A已知在R、L串联的正弦交流电路中,总电压U=30V,L上的电压UL =18V,则R上的电压UR=( )。
·12V
·24V
·48V
·48

电路中两点间的电压高,则( )。
·两点的电位高
·两点间的电位差大
·两点的电位一定为正
·两点的电位一定为负